- Dual Channel Aeroflex SUMMIT UT69151DX
- Programmable BC / RT / BM
- On Board Transformers and Transceivers
- Long stub / Short stub
- 128Kbytes Sram Per Channel
- 2 Channel Full duplex Sync and Async serial ports
- Programmable Mode RS-232, RS-422 And RS-485
- Data rate up to:
- 115,000 bps in asynchronous mode
- 2 Mbps in synchronous mode
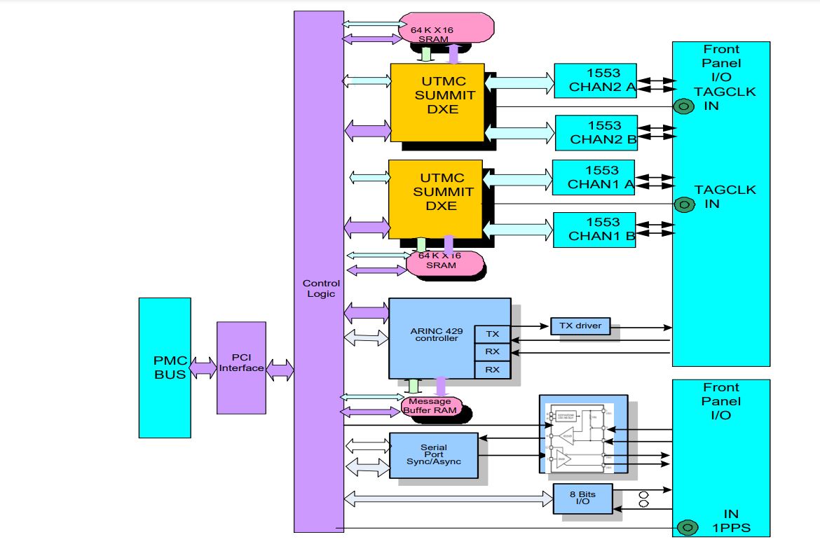
PMC-1553IO
DUAL UTMC 1553 SUMMIT CONTROLLER:BC,RT&BM ARINC-429 1 TX & 2 RX 2 CHANNELS RS-232/422/485 8 BITS DIGITAL I/OAND 1PPS INPUT
- Dual Channel Aeroflex SUMMIT UT69151DX
- Programmable BC / RT / BM
- On Board Transformers and Transceivers
- Long stub / Short stub
- 128Kbytes Sram Per Channel
- 2 Channel Full duplex Sync and Async serial ports
- Programmable Mode RS-232, RS-422 And RS-485
- Data rate up to:
- 115,000 bps in asynchronous mode
- 2 Mbps in synchronous mode
Share this product
The MIL-STD-1553 system features dual redundant channels (A+B), 128 Kbyte SRAM, programmable BC/RT/BM modes, 78 ohm transformers, long/short stub capability, and selectable internal/external clock13. The ARINC-429 option includes 2 receive and 1 transmit channel, label matching for receiver channel, 64Kword SRAM buffer, and software-selectable data rates of 12.5 or 100 kbits/second with auto slew rate adjustment24. It also offers an 8-bit digital I/O bus with 4 inputs, 4 outputs, and 1 PPS input. The serial ports option provides programmable synchronous and isosynchronous data rates, asynchronous capabilities, and programmable RS-232/422/485 mode. Additional features include temperature options (0 to +70°C or -40 to +85°C), conformal coating, 33/66MHz PMC clock, 5.0v or 3.3v VIO, low power consumption, LED status, available software libraries for Windows, Linux, and VxWorks, and PICMG compliance
ARINC-429
- 2 Receives and 1 Transmit
- Label matching for receiver channels
- One 64Kword SRAMs buffer for storing data
- Software selected data rate of 12.5/100kbits/s with auto slew rate adjustment
- Programmable word length selection, with the parity bit generated automatically
- Burst and Continuous Mode for transmit data at the rate of 100 to 1200msec
8 Bits Digital I/O
- 4 Inputs
- 4 Outputs
- 1PPS Input for GPS Signal
Serial Ports Sync/Async
PMC interface
- VIO 3.3 & 5.0 volt
- 33/66 Mhz
- 32 bit Addr. Data
- Interrupts
- DMA
I/O
- 1553 bus levels
- TTL (5v) clock
- RS-232 RS-422 And RS-485
- Front panel or rear I/O Option
Operating: Environmental
- Operating temperature
- Commercial: 0 to +70 °C
- Optional: -40°C to +85°C
- Size: Single wide PMC 2.92″ x 5.87″
- Airflow requirement: .5 CFM
- Humidity: 5 to 90% (non-cond.)
- Altitude: 0 to 20’000 ft
Ordering Information
- Part Number: PMC-1553IO-11 – (1) MIL-1553, BC/RT/BM + 8 Bits Digital I/O
- Part Number: PMC-1553IO-21 – (1) MIL-1553 + 8 Bits Digital I/O + 2 Serial Ports
- Part Number: PMC-1553IO-31 – (1) MIL-1553 + 8 Bits Digital I/O + ARINC-429 + 2 Serial Ports
- Part Number: PMC-1553IO-12 – (2) MIL-1553, BC/RT/BM + 8 Bits Digital I/O
- Part Number: PMC-1553IO-22 – (2) MIL-1553 + 8 Bits Digital I/O + 2 Serial Ports
- Part Number: PMC-1553IO-32 – (2) MIL-1553 + 8 Bits Digital I/O + ARINC-429 + 2 Serial Ports
- Other Configuration available – check with Factory
- Part Number: PMC-1553IO-(x)-I – Same as above with -40ºC to +85 ºC Temperature rating
- Part Number: PMC-1553IO-(x)-y-FP – Same as above with Front Panel Access Only
- Part Number: PMC-1553IO-(x)-y-RP – Same as above with Rear Panel Access Only
Optional Accessories
- Part Number: EngKit-1553-micro – 2 T’s, 2 Terminators, 1 16 inch cables
- Part Number: CBL-1553-micro – Standard-Standard 16 inch 1553 cable
Data Sheet – Link Here
- Dual Channel Aeroflex SUMMIT UT69151DX
- Programmable BC / RT / BM
- On Board Transformers and Transceivers
- Long stub / Short stub
- 128Kbytes Sram Per Channel
- 2 Channel Full duplex Sync and Async serial ports
- Programmable Mode RS-232, RS-422 And RS-485
- Data rate up to:
- 115,000 bps in asynchronous mode
- 2 Mbps in synchronous mode
| Mechanical Interface | Switched Mezzanine Card (XMC) Interface confirming to ANSI/VITA 42.0-2008 (Auxiliary Standard) Standard single-width (149mm x 74mm) | |||||||||
| Electrical Interface | PCI Express x4 Link (Base Specification 2.1) compliant interface conforming to ANSI/VITA 42.3-2006 (PCI Express Protocol Layer Standard) | |||||||||
| PCI Express Switch | PI7C9X2G312GP (Pericom) | |||||||||
| PCI Express to PCI Bridge | XIO2001 (Texas Instruments) | |||||||||
| User configurable FPGA | TXMC639-10R: XC7K160T-2FBG676I (AMD) TXMC639-11R: XC7K325T-2FBG676I (AMD) | |||||||||
| SPI-Flash | MT25QL128 (Micron) 128 Mbit (contains TXMC639 FPGA BRD) or compatible; +3.3 V supply voltage | |||||||||
| DDR3 RAM | 2x MT41K256M16TW-107 (Micron) 256Meg x 32 bit | |||||||||
| Board Configuration Controller | LCMXO2-7000HC (Lattice) | |||||||||
| ADC | LTC2320 -16 (Analog Devices) | |||||||||
| DAC | AD5547BRUZ (Analog Devices) | |||||||||
| A/D Channels | TXMC639-10R: 8 Differential 16bit A/D Channels TXMC639-11R: 16 Differential 16bit A/D Channels Input Configuration per BCC Device: Input Voltage Ranges: Differental : ±20.57 V, ±10.28 V or ±5.14 V (Single-Ended: ±10.28 V, ±5.14 V or ±2.57 V) All analog inputs are connected via an impedance converter and a second operation amplifier for level adjustment and filtering to the differential ADC inputs. The -3 dB limit of this input stage is at approx. 8MHz | |||||||||
| D/A Channels | TXMC639-10R: 4 Single-Ended 16 Bit D/A Channels TXMC639-11R: 8 Single-Ended 16 Bit D/A Channels Output range configurable per D/A channel. Maximum single-ended Output Voltage – Vout: ±10 V Maximum Output Drive Current for each Output: 10 mA Maximum Capacitive Load for each Output: 1000 pF Typical Settling Time for a 10 mA / 1000 pF: < 1 µs | |||||||||
| Digital Front I/O Channels | 32 digital I/O Lines
| |||||||||
| Digital Rear I/O Channels | 64 direct FPGA I/O lines to P14 Rear I/O connector
4 MGT line to P16 Rear I/O connector
| |||||||||
| Front I/O | Front I/O Samtec – ERF8_050_01_L_D_RA_L_TR | |||||||||
| P14 Rear I/O | 64 pin Mezzanine Connector (Molex 71436-2864 or compatible) | |||||||||
| P16 Rear I/O | 114 pin Mezzanine Connector (Samtec – ASP-105885-01) | |||||||||
| Power Requirements 1) | Depends on FPGA design With TXMC639 Board Reference Design / without external load
| |||||||||
| Temperature Range | Operating: – 40 °C to + 85 °C Storage: – 55 °C to + 125 °C | |||||||||
| MTBF 1) | 157 000 h to 161 000 h | |||||||||
| Humidity | 5% – 95% non-condensing | |||||||||
| Weight | 140 g |
1) depends on variant, for further details see User Manual
TXMC639-10R
| 8x Analog In, 4x Analog Out, XC7K160T-2FBG676 Kintex™ 7 FPGA AMD Kintex™ 7 FPGA (XC7K160T-2FBG676), 1GB DDR3, 8x Analog In, 4x Analog Out, 32x digital Front I/O, 64x direct FPGA Rear I/O Lines and 4x MGTs Rear I/O |
TXMC639-11R
| 16x Analog In, 8x Analog Out, XC7K325T-2FBG676 Kintex™ 7 FPGA AMD Kintex™ 7 FPGA (XC7K325T-2FBG676), 1GB DDR3, 16x Analog In, 8x Analog Out, 32x digital Front I/O, 64x direct FPGA Rear I/O Lines and 4x MGTs Rear I/O |








