- Up to 64 I/O pins available by groups of 8
- High Voltage: Can handle 60v inputs/outputs, internal circuitry to clamp inductive spikes to 60v max
- High Current: Can drive 100ma on each channel. Internal circuitry can detect over-current situations and shut down the board
- Programmable Hysteresis: On board DACs allow setting the set/reset thresholds on a per port basis from 0-60v
- High Speed: Outputs and input good through 2mhz
- Programmable pullup/pulldown: Board can set a resistor bank to pullup/pulldown mode in software, solving power sequencing problems
- On board resistor-networks: No need to mount external pull-ups. Possible to remove on board networks for external ones
- High input impedance: Standard input impedance of 1M ohms
- Power on reset: All outputs guaranteed to be high impedance while powering on
- Output read back: Inputs can be simultaneously enabled with outputs to verify state change
- Interrupts: All channels can be set as an interrupt source
PMC-DIO-64
PMC Programmable Digital I/O, 64 channels
- Up to 64 I/O pins available by groups of 8
- High Voltage: Can handle 60v inputs/outputs, internal circuitry to clamp inductive spikes to 60v max
- High Current: Can drive 100ma on each channel. Internal circuitry can detect over-current situations and shut down the board
- Programmable Hysteresis: On board DACs allow setting the set/reset thresholds on a per port basis from 0-60v
- High Speed: Outputs and input good through 2mhz
- Programmable pullup/pulldown: Board can set a resistor bank to pullup/pulldown mode in software, solving power sequencing problems
- On board resistor-networks: No need to mount external pull-ups. Possible to remove on board networks for external ones
- High input impedance: Standard input impedance of 1M ohms
- Power on reset: All outputs guaranteed to be high impedance while powering on
- Output read back: Inputs can be simultaneously enabled with outputs to verify state change
- Interrupts: All channels can be set as an interrupt source
Share this product
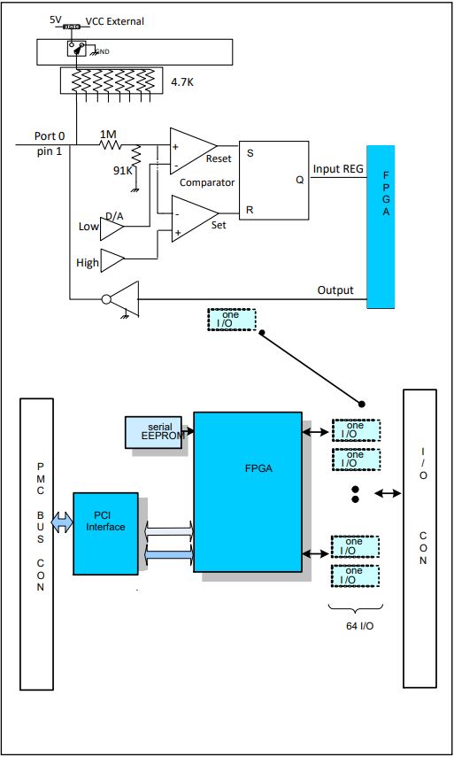
The PMC-DIO64 PMC board features 64 Altera-based programmable I/O pins supporting voltages up to +60VDC, organized in groups of 8. Each output is readable, while inputs offer variable thresholds and support for contact and switched voltages. The board provides 2 D/A controls for hysteresis Set and Reset on all inputs, along with selectable input voltage references including +5VDC, ground, and an external reference for accommodating various voltage inputs. This versatile configuration allows for flexible I/O management in a compact PMC form factor
Applications:
This is a perfect solution for:
- Control systems
Software Support:
Windows, Linux and VxWorks
Output Specifications:
- N-Channel Enhancement Mode Field Effect Transistor
- Drain to source breakdown voltage of +60VDC
- Continuous drain current of 0.5A
- Drain to source equivalent on resistance of 1.2Ω
- Turn on delay time of 10nsec max
- Turn off delay time of 10nsec max
PMC Bus:
- PMC Bus Interface 3.3 / 5 Volt
- PLX 9056 33/66MHz 32-bit, PCI r2.2 compliant
- 3.3V I/O, 5V tolerant bus interfaces
I/O panel connectors:
Front Panel 68 pin SCSI Connector
Operating Environment:
- Operating temperature
- Commercial: 0 to +70 ºC
- Optional: -40 ºC to +85 ºC
- Non-operating: -45 ºC to +100 ºC
- Airflow requirement – 5 CFM
- Humidity – 5 to 90% (non-cond)
- Altitude – 0 to 10,000 feet
Mechanical Environment:
- Size – Single Wide PMC module 74mm x 149mm
- Power – 1.5 watt
- Vibration – 0.5G, 20-2000 Hz rand
- Shock – 20G, 11 msec, ½ sine
- Weight – 3 ounces
- MTBF – >250,000 hours
Ordering Information:
- Part number: PMC-DIO-64 – 64 bit digital I/O PMC module
- Part number: PMC-DIO-64-I – same as above at -40º to +85ºC
Optional Accessories
- Part number: TB-68-SCSI – 68 pin terminal block and 1 meter SCSI cable
- Part number: CBL-68-SCSI – 68 pin, 1 meter SCSI
Data Sheet – Link Here
- Up to 64 I/O pins available by groups of 8
- High Voltage: Can handle 60v inputs/outputs, internal circuitry to clamp inductive spikes to 60v max
- High Current: Can drive 100ma on each channel. Internal circuitry can detect over-current situations and shut down the board
- Programmable Hysteresis: On board DACs allow setting the set/reset thresholds on a per port basis from 0-60v
- High Speed: Outputs and input good through 2mhz
- Programmable pullup/pulldown: Board can set a resistor bank to pullup/pulldown mode in software, solving power sequencing problems
- On board resistor-networks: No need to mount external pull-ups. Possible to remove on board networks for external ones
- High input impedance: Standard input impedance of 1M ohms
- Power on reset: All outputs guaranteed to be high impedance while powering on
- Output read back: Inputs can be simultaneously enabled with outputs to verify state change
- Interrupts: All channels can be set as an interrupt source
| Mechanical Interface | Switched Mezzanine Card (XMC) Interface confirming to ANSI/VITA 42.0-2008 (Auxiliary Standard) Standard single-width (149mm x 74mm) | |||||||||
| Electrical Interface | PCI Express x4 Link (Base Specification 2.1) compliant interface conforming to ANSI/VITA 42.3-2006 (PCI Express Protocol Layer Standard) | |||||||||
| PCI Express Switch | PI7C9X2G312GP (Pericom) | |||||||||
| PCI Express to PCI Bridge | XIO2001 (Texas Instruments) | |||||||||
| User configurable FPGA | TXMC639-10R: XC7K160T-2FBG676I (AMD) TXMC639-11R: XC7K325T-2FBG676I (AMD) | |||||||||
| SPI-Flash | MT25QL128 (Micron) 128 Mbit (contains TXMC639 FPGA BRD) or compatible; +3.3 V supply voltage | |||||||||
| DDR3 RAM | 2x MT41K256M16TW-107 (Micron) 256Meg x 32 bit | |||||||||
| Board Configuration Controller | LCMXO2-7000HC (Lattice) | |||||||||
| ADC | LTC2320 -16 (Analog Devices) | |||||||||
| DAC | AD5547BRUZ (Analog Devices) | |||||||||
| A/D Channels | TXMC639-10R: 8 Differential 16bit A/D Channels TXMC639-11R: 16 Differential 16bit A/D Channels Input Configuration per BCC Device: Input Voltage Ranges: Differental : ±20.57 V, ±10.28 V or ±5.14 V (Single-Ended: ±10.28 V, ±5.14 V or ±2.57 V) All analog inputs are connected via an impedance converter and a second operation amplifier for level adjustment and filtering to the differential ADC inputs. The -3 dB limit of this input stage is at approx. 8MHz | |||||||||
| D/A Channels | TXMC639-10R: 4 Single-Ended 16 Bit D/A Channels TXMC639-11R: 8 Single-Ended 16 Bit D/A Channels Output range configurable per D/A channel. Maximum single-ended Output Voltage – Vout: ±10 V Maximum Output Drive Current for each Output: 10 mA Maximum Capacitive Load for each Output: 1000 pF Typical Settling Time for a 10 mA / 1000 pF: < 1 µs | |||||||||
| Digital Front I/O Channels | 32 digital I/O Lines
| |||||||||
| Digital Rear I/O Channels | 64 direct FPGA I/O lines to P14 Rear I/O connector
4 MGT line to P16 Rear I/O connector
| |||||||||
| Front I/O | Front I/O Samtec – ERF8_050_01_L_D_RA_L_TR | |||||||||
| P14 Rear I/O | 64 pin Mezzanine Connector (Molex 71436-2864 or compatible) | |||||||||
| P16 Rear I/O | 114 pin Mezzanine Connector (Samtec – ASP-105885-01) | |||||||||
| Power Requirements 1) | Depends on FPGA design With TXMC639 Board Reference Design / without external load
| |||||||||
| Temperature Range | Operating: – 40 °C to + 85 °C Storage: – 55 °C to + 125 °C | |||||||||
| MTBF 1) | 157 000 h to 161 000 h | |||||||||
| Humidity | 5% – 95% non-condensing | |||||||||
| Weight | 140 g |
1) depends on variant, for further details see User Manual
TXMC639-10R
| 8x Analog In, 4x Analog Out, XC7K160T-2FBG676 Kintex™ 7 FPGA AMD Kintex™ 7 FPGA (XC7K160T-2FBG676), 1GB DDR3, 8x Analog In, 4x Analog Out, 32x digital Front I/O, 64x direct FPGA Rear I/O Lines and 4x MGTs Rear I/O |
TXMC639-11R
| 16x Analog In, 8x Analog Out, XC7K325T-2FBG676 Kintex™ 7 FPGA AMD Kintex™ 7 FPGA (XC7K325T-2FBG676), 1GB DDR3, 16x Analog In, 8x Analog Out, 32x digital Front I/O, 64x direct FPGA Rear I/O Lines and 4x MGTs Rear I/O |







